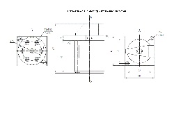
| Исполнение | Шестипозиционный восьмилинейный переключатель с ручным управлением и фиксацией в каждой позиции. Конструкция распределительного устройства: плоский золотник. |
| Условный проход, мм | 4 |
| Тип присоединения | Резьбовое, с метрической присоединительной резьбой в основании распределителя (трубы вниз). |
| Присоединение пневмолиний, дюйм | М6х0,75 |
| Номинальное давление, МПа | 1,0 |
| Минимальное рабочее давление, МПа, не более | 0,002 |
| Максимальное число позиций | 6 |
| Количество выходов | 6 |
| Момент переключения, Нсм, не более | 150 |
| Пропускная способность, Kv*, м3/ч, не иенее | 0,24 |
| Масса, кг, не более | 0,36 |
| Примечание | *Kv определяется по ГОСТ 14691 |