| Исполнение | Четырехлинейный, двухпозиционный с двухсторонним пневматическим управлением. Конструкция распределительного устройства: плоский притёртый золотник |
| Условный проход, мм | 20 |
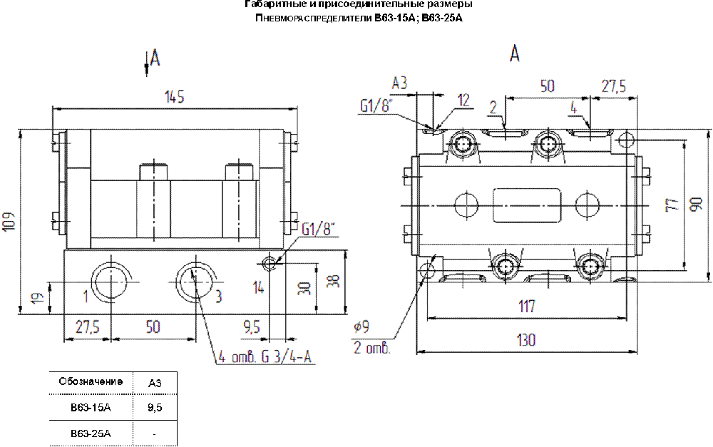
| Тип присоединения | |
| Резьбовое, с плитой и боковым расположением отверстий (трубы в стороны) |
|
| Присоединение рабочих пневмолиний, дюйм | 3/4 |
| Присоединение пневмолиний управления, дюйм | 1/8 |
| Номинальное давление, МПа | 0,63 |
| Минимальное рабочее давление, МПа, не более | 0,25 |
| Минимальное давление управления, МПа, не более | 0.16 |
| Максимальное число срабатываний в мин., не более | 250 |
| Пропускная способность, Kv*, м3/ч, не менее | 5,0 |
| Масса кг, не более | 2,5 |
| Примечание | *Kv определяется по ГОСТ 14691 |