| Исполнение | Трехлинейный, двухпозиционный с односторонним электропневматическим управлением и ручным дублированием, пружинным возвратом в исходное положение. Конструкция распределительного устройства: клапанного типа |
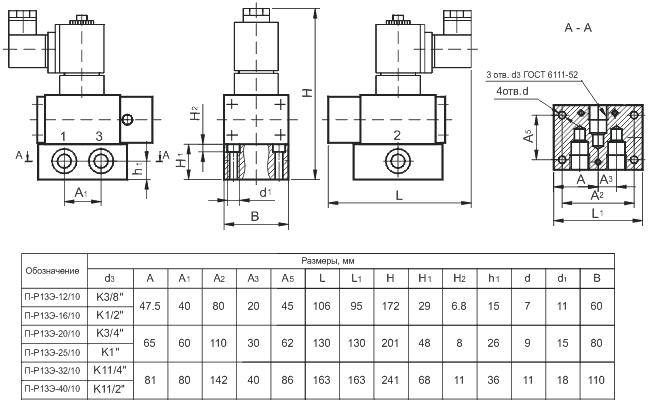
| Условный проход, мм | 32 |
| Тип присоединения | Резьбовое, с плитой для трубного монтажа, трубы в стороны |
| Присоединение пневмолиний, дюйм | К11/4 |
| Номинальное давление, МПа | 1,0 |
| Минимальное давление, МПа, не более | 0,22 |
| Время включения, с, не более | 0,09 |
| Время выключения, с, не более | 0,13 |
| Максимальное число срабатываний, в мин, не менее | 150 |
| Номинальное напряжение питания постоянного тока, В | 12, 24, 48, 110 |
| Номинальное напряжение питания переменного тока частотой 50Гц, В | 12, 24, 36, 48, 110, 220, 380 |
| Номинальная потребляемая мощность постоянного тока, Вт, не более | 12;20 |
| Номинальная потребляемая мощность переменного тока частотой 50 Гц, ВА, не более | 21;28 |
| Пропускная способность Kv*, м3/ч, не менее | 15 |
| Масса, кг, не более | 8,78 |
| Примечание | *Kv определяется по ГОСТ 14691 |